最新型玉米苗前封闭除草剂
82%滴辛脂乙草胺唑嘧胺

关注农业信息,为农业增产护航!
大家好,我是星火燎原9988,最近一段时间在忙别的工作,好久没有更新了。今天跟大家推荐一款国家专利玉米苗前封闭除草剂---82%滴辛脂•乙草胺•唑嘧胺。

玉米田里的杂草,经常是长了一批又一批,防除起来费时又费力,今天就来介绍一种除草剂,使用后,对出苗的杂草有很好的防除作用,还能抑制未出土的杂草生长,就是我们专利,全国独家一款产品----82%滴辛脂乙草胺唑嘧胺!
下面让我们一起来看看它的原理以及应用吧!
它最大的特点就是禾阔双封,对下茬作物残留低,活性更高,比一般的乙莠滴成分更耐低温。

我国是玉米种植与生产大国,播种面积居全球第一,总产量居全球第二。除草一直是玉米种植管理上的难题,目前最有效、经济的手段就是化学除草,但长期连续地使用单一品种或单一作用机理的除草剂会导致杂草耐药性和抗药性不断增强,杂草防除越来越困难。将不同种类的除草剂合理复配或混用能有效的扩大杀草谱,提高防除效果,延续杂草耐药性和抗药性,是解决上述防除问题的最有效的方法之一。

目前现有的复配型除草剂,多数是二元复配型老配方,如果长时间使用,杂草也会对其产生抗药性,使得防效降低。如果加大剂量使用,还可能对玉米产生药害。另外,针对玉米田杂草,现有复配除草剂品种较少,可选择性较小。

这款除草剂特点:
乙草胺、唑嘧磺草胺和2,4‑滴异辛酯三种有效成分的化学结构及作用机理不同,相应的杀草机理、杀草活性及杀草谱效不同,乙草胺属于选择性芽前处理除草剂,主要通过单子叶植物的胚芽鞘或双子叶植物的下胚轴吸收,吸收后向上传导,通过阻碍蛋白质合成而抑制细胞生长,使杂草幼芽、幼根生长停止,进而死亡。唑嘧磺草胺属三唑并嘧啶磺酰胺类除草剂,是典型的乙酰乳酸合成酶抑制剂,具有内吸性,经由杂草叶片、鞘部、茎部或根部吸收,向生长点传导累积,抑制乙酰乳酸合成酶,无法合成支链氨基酸,进而影响蛋白质合成,最终影响杂草的细胞分裂,造成杂草停止生长、黄化,最后枯死。而2,4‑滴异辛酯是一种苯氧羧酸类内吸选择性除草剂,通过杂草茎、叶和根系吸收,使植物分生组织受到抑制,长度生长停止,产生次生膨胀而导致根与茎肿胀,进而韧皮部堵塞,最终木质部破坏,使植株死亡。
附图:



安全型调查:药后5d、10d、15d目测各处理对玉米的安全性,表明本发明除草组合物对玉米生长安全,无药害现象发生。

田间药效试验表明,本发明除草组合物对玉米田杂草防效表现出增效作用,对禾本科杂草、阔叶杂草防治过程中,优于单剂的防效,在用药范围内,对作物安全,无药害,值得推广应用。
注:大豆田也能使用。本品可用于玉米大豆套种田苗前除草剂
免责声明】:转载自其他平台或媒体的文章,本平台将注明来源及作者,但不对所包含内容的准确性、可靠性或完整性提供任何明示或暗示的保证,仅作参考。如有侵权,请联系本平台并提供相关书页证明,本平台将更正来源及作者或依据著作权人意见删除该文,并不承担其他任何责任。
关注农业信息,为农业增产护航!我是星火燎原9988,欢迎大家点赞收藏转发,谢谢!
标签:
187
谁说工作要光鲜?这些赚钱行业不容小觑! 在我们的印象中,白领职业总是被视为光鲜亮丽的代表,但其实有很多行业虽然不那么引人瞩目,却同样能让你赚得盆满钵满。今天,就跟随...
153
年薪约18万!持一建证书优先,想换工作的建造师们注意啦~ 年薪约18万!持一建证书优先,建造师们,职场新机遇来啦! 在繁忙的职场中,时常会传来令人振奋的消息。近日,某知名建...
193
聊天记录“辣眼睛”陕师大副教授被曝给女生发私处不雅照片! “教授”这个职称不得不让我们重新审视一下,到底是“教授”还是“叫兽”。 前几日中国人民大学一教授王某某刚刚...
97
刚刚,玉林市2019年中考录取分数线出炉 7月11日12时,玉林市2019年中考成绩可以查询啦。7月11日上午,玉林市教育局召开2019年普通高中招生新闻发布会,今年全市中考报名学生有95090人...
163
2025年新手学车考驾照必看的教练车按键功能标识图解大全 很多人在报完驾校,第一天上车练车一脸懵,因为车内按键太多,不知道有什么含义,因此给大家标注了车内按键及功能说明...
203
土屋太凤和有村架纯颜值毁灭,脸大的7种原因你中了哪一条? 日本的女明星有时候让人幻灭的理由很简单,就是撩起长发…… 五官精致带有混血颜值的土屋太凤,第一次见到这张照片...
195
宇宙已经造出几乎所有的恒星 黑洞是调光器 宇宙已经造出几乎所有的恒星 黑洞是调光器 (报道)据新浪科技(匀琳):国外媒体报道,我们的人类世界,沐浴在光芒下。首先,地球上...
80
原来这才是宋仲基和宋慧乔离婚的原因 宋仲基宋慧乔离婚了! “二宋”的爱情令无数人羡慕,因为合作电视剧《太阳的后裔》而结缘的两个人,在相恋以后就步入婚姻殿堂,于2025年完...
111
武汉十大三本大学排名-武汉的三本院校排名 武汉十大三本大学排名-武汉的三本院校排名:文华学院、武昌理工学院、武汉生物工程学院、武汉工程科技学院、武汉城市学院、武昌工学...
96
授衔时,哪几位将领的军衔因为特殊原因被高授了 五五授衔,是我军历史上一次划时代的大事,从此,我军开始使用军衔制度,大大促进了人民军队的现代化进程。而参加授衔的将领们...
101
宇宙中有多少个黑洞? 宇宙中有多少个黑洞? (报道)据新浪科技(任天):国外媒体报道,黑洞比宇宙中许多物体都要古老,其数量也非常庞大。它们的起源和形成讲述了宇宙的过...
147
超大质量黑洞耀斑的起源:事件视界附近的磁“重联” 超大质量黑洞耀斑的起源:事件视界附近的磁“重联” (报道)据cnBeta:Flatiron研究所的研究人员和他们的合作者发现,事件视界...
100
蒋介石两个嫡系将领,屡战屡败却成国民党上将,军史专家说出原因 《天择杂谈》由原国防大学教员、军史专家天择创办,欢迎关注,带你进入精彩的军事历史世界~ “能说会道、能...
160
GW190521:天文学家探测到有史以来最大规模的两个黑洞碰撞事件 GW190521:天文学家探测到有史以来最大规模的两个黑洞碰撞事件 (报道)据cnBeta:天文学家可能已经探测到了有史以来发...
187
湖南省辖县、市简介-南县 南县地图 邮编:413200 代码:430921 区号:0737 拼音:Nán Xiàn 英译:Nanxian County 南县是益阳市辖县。位于湘鄂两省边陲,洞庭湖区腹地,地理坐标为东经112°10′53〞-...
96
最具代表性的十道中国菜(外国人最喜欢的中国菜肴) 摘要:最具代表性的十道中国菜(外国人最喜欢的中国菜肴)在国际上,外国人习惯性的将中国菜成为中华料理。中国菜具有悠久的历...
69
中国最贵的白酒排行榜前十名(中国最贵十大酒排行榜) 第十名:1960S五粮液 98万 2012年1月2日,在杭州举办的西泠印社2011秋季拍卖会陈年名白酒专场上,这瓶酿制于20世纪60年代五粮液...
160
松原燃气爆炸事故:发生经过和事故原因 持续发了几篇文章分析松原市7·4城市燃气管道泄露爆炸事故。这个案例应该是燃气行业影响最大的一起第三方破坏事故,有公开的事故调查报...
151
世界上最出名的十座宫殿(世界十大宫殿盘点) 摘要:世界上最出名的十座宫殿(世界十大宫殿盘点)宫殿是指国家元首、贵族或王室成员居住和办公的大型建筑群,通常由多个建筑物...
108
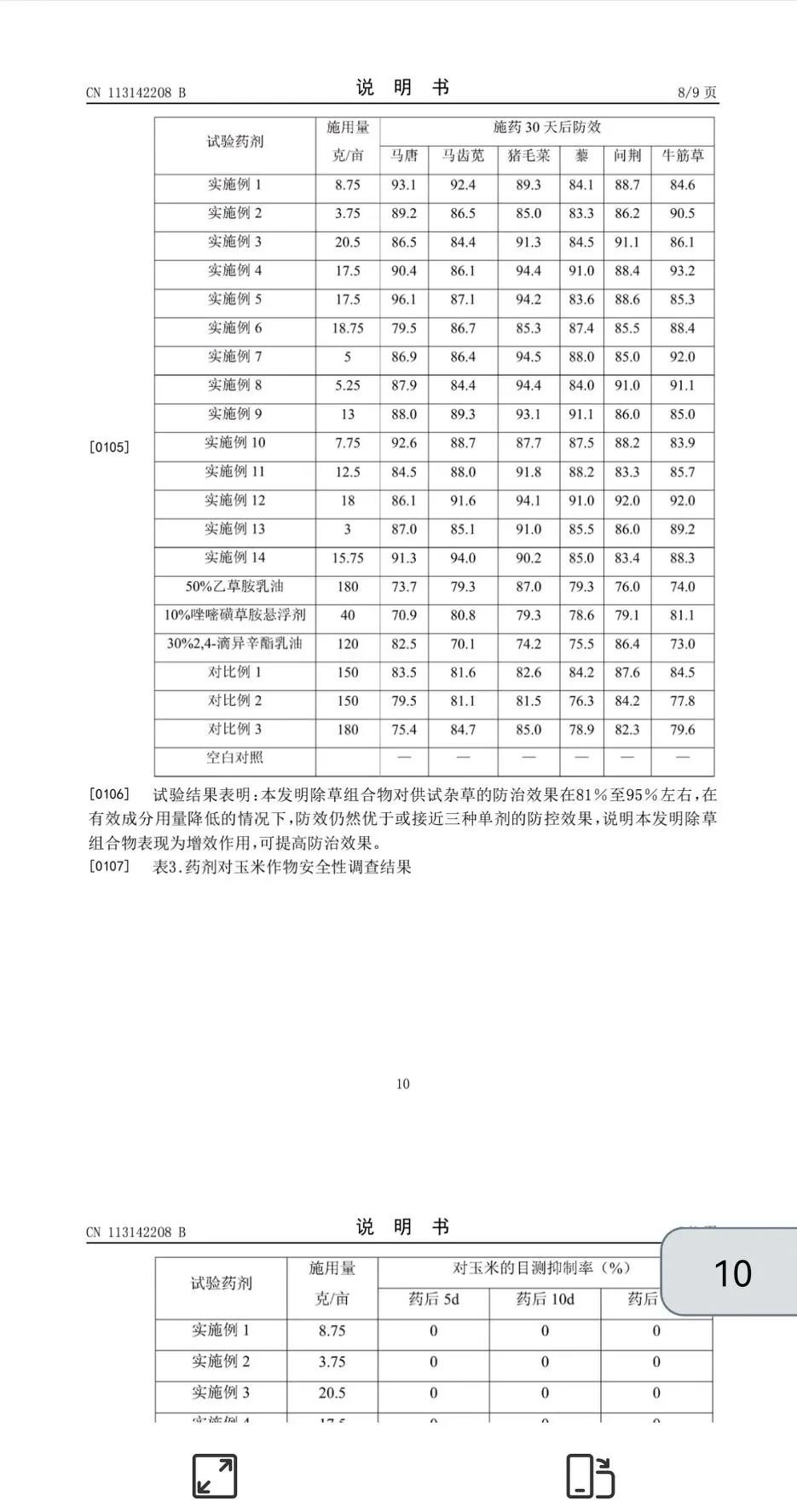
全球十大汽车公司 10.日产汽车市值:$12B 日产汽车公司(TYO:7201)是一家受欢迎的汽车制造商,于 1933 年在日本横滨市成立。 从那时起,该业务已发展成为一家全球性公司,在各大洲...